This project is currently in maintenance
Electric Guitar Amplifier Project: A Complete Example for Electronics Students
Project for Building a class B Guitar Amplifier

Brief
In this project, we decided to design and build an amplifier capable of boosting the signal from an electric guitar.
This article provides a comprehensive guide to building a basic electric guitar amplifier, specifically designed for electronics students. It begins with an introduction to the fundamental concepts of amplifier circuits, explaining key components like transistors, capacitors, and resistors, and how they work together to amplify a guitar’s signal. The article outlines each step of the project, from schematic design to the physical construction of the amplifier, highlighting important considerations such as power supply, signal processing, and tone control.
Practical tips are included to help students navigate common challenges, such as component selection, circuit troubleshooting, and ensuring the amplifier’s durability and safety. Additionally, the article emphasizes the relevance of this project in understanding analog electronics, sound amplification, and the real-world application of electronic principles. By the end of the article, you will have a functional, hands-on project that will deepen yours understanding of both electronics and audio technology.
Technical Brief
The guitar’s input signal is an AC signal with an amplitude of 60-300 mVpp and a frequency range of 50-2000 Hz. The speaker we are using is essentially a coil with a real resistance of 6Ω and can handle up to 15W of power.
If we connect the guitar signal directly to the speaker, it won’t produce any sound due to the low power level. Therefore, we need an amplifier that can significantly increase the power of the signal without distorting its quality or frequency. Our goal is to achieve a maximum amplification of 100 times the input signal, with an adjustable voltage range of 6-30V, using a feedback loop. To accomplish this, the amplifier is designed with two amplification stages: a low-noise, high-bandwidth operational amplifier and a Class B power stage using transistors. Additionally, we included a low-pass filter to eliminate unwanted noise and provide a clean, enjoyable sound.
A good way to start the design is to put all key building blocks of the project into a diagram, and then engineer each of them.
Block Diagram

Theoretical Background
The amplifier design consists of two main stages to effectively boost the guitar signal.
First Amplification Stage: Voltage Amplification
The first stage focuses on amplifying the voltage of the input signal. This is achieved using an operational amplifier (op-amp) connected in a negative feedback configuration. This setup allows for a gain of up to 100 times the input signal. The input signal is fed into the positive input of the op-amp to achieve a very high input impedance, which helps preserve the integrity of the signal by preventing any significant current draw from the guitar pickup.
Second Amplification Stage: Power Amplification
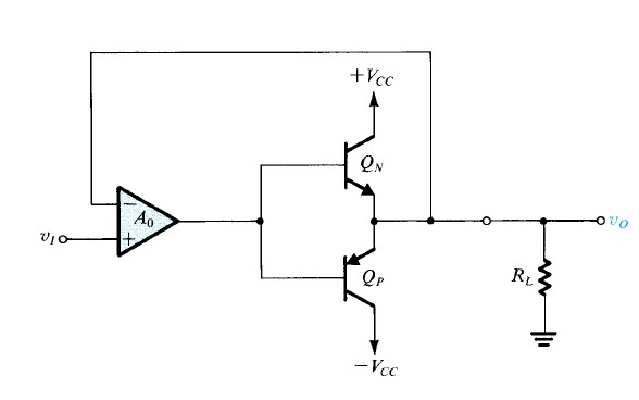
The second stage is a power amplification stage built with two BJT transistors (NPN and PNP types) configured in a push-pull arrangement. These transistors are connected “back-to-back,” meaning their emitters are connected together. The collector of the NPN transistor is connected to the positive supply voltage (+Vcc), while the collector of the PNP transistor is connected to the negative supply voltage (-Vcc). This configuration eliminates the need for resistors on the collectors, allowing for maximum current flow to the load.
The transistors in this stage do not operate in their active region to amplify the signal. Instead, they switch between saturation and cutoff states. When one transistor is in saturation (fully on), the other is in cutoff (fully off), and vice versa. This arrangement keeps the transistors on the verge of conduction, allowing the input current to determine which transistor conducts and which one is in cutoff. This setup provides efficient power amplification because the current in saturation is a direct combination of the input current and the supply voltage, resulting in a strong enough output to drive a 6Ω speaker load effectively.
To control the output voltage and maintain stable gain, the op-amp is also connected to the transistor bases, with its output linked back in a negative feedback loop to the op-amp. This ensures consistent performance and precise control over the amplification process.

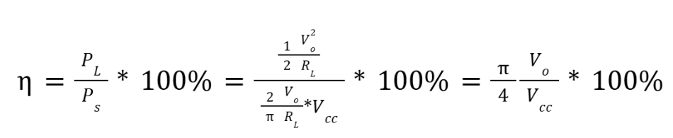
Efficiency Calculation of the Power Amplifier
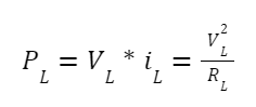
To understand the energy conversion efficiency of the power amplifier, we calculate the efficiency as the ratio of the output power to the total power supplied by the power source, expressed as a percentage:

Where:
- PL is the power delivered to the load (speaker).
- PS is the total power supplied by the power source

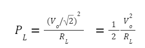
Since the output voltage VL is a periodic waveform, we use the RMS (Root Mean Square) value to calculate the effective power:

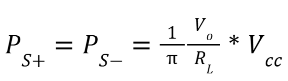
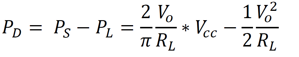
The current drawn from each power supply (+Vcc, -Vcc) is always a half sine wave with an amplitude of Vo/VL. So that the average current can be described like so:

Overall the power consumption would be:

Now we could further develop the efficiency of the Amp.

Now it begs the question: where goes the unused power? The answer is that is dissipates over the transistor itself in a form of heat. Let’s calculate the dissipation power:

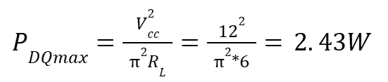
If we are to deal with heat dissipations we want to calculate the maximum power that will dissipate as heat over the body of the transistor. At this point we see that the equation represents a “sad” parabola. So to calculate the max point we shall calculate the derivative with respect to voltage of the previous equation and compare it to zero:

Inserting the result to the original function we get:


Engineering considerations
Let us recall that this is a 100mV signal on average. Therefore, after the first amplification stage (operational amplifier), the voltage should be 10V. So why do we need a second amplification stage? The reason for this is that as soon as a load is connected to the output, the voltage drops significantly. An Op amp can amplify voltage very well, but its output current is usually low. Therefore, under high load, it will drop. Therefore, if we were to connect the speaker directly to the output of the second stage amplifier, we should receive much less than the voltage above. So the second amplification stage is the power amp. It is needed to provide enough current to operate the speaker.
In addition, an important thing for the project is not only receiving a powerful and strong signal, but one that matches the guitar’s input signal, to receive a clean, restored signal of the original signal. For this reason, quality components are needed such as an NE5534 amplifier with a high bandwidth of 10MHz at unity gain and a relatively high SLEW RATE of 13V/us.
When referring to the power dissipated on the transistors, we consider the maximum power developed on each transistor. So let’s put a 12V supply voltage and 6 ohm load in equation 9 and see what we get:

Therefore, we choose a large transistor capable of dissipating this power. The TIP31 and TIP32 are 2W power transistors that are good for audio applications due to their low distortion. Therefore, we shall use them and also add a heat sink to them to improve the power dissipation capacity.
Moving on to the speaker, the maximum output power according to the calculation is:

Our speaker matches this power, it is 15W. As you can see in the graph Fig3 in the theoretical background, the output voltage cannot be higher than the supply voltage. Therefore, if the gain is high around 100 as in the design, then in the specified items when the amplitude is about 150mV the output voltage should be 15V which is above the supply voltage of 12V minus the voltage falling on the transistor Vcc – Vce sat. Therefore, in this situation there will be a reduction in the output voltage which means that it will not be like the original voltage and it will be distorted. But distortion is good for us in certain situations. In music this is called overdrive which sounds like a loud and aggressive growling sound. This is an effect that became common in rock music and gives the music the sound of rock. This was first introduced by legendary guitarist Jimi Hendrix who came to London in 1966 and connected to a Marshall amplifier. Then he raised every knob on the amplifier to maximum and strummed.
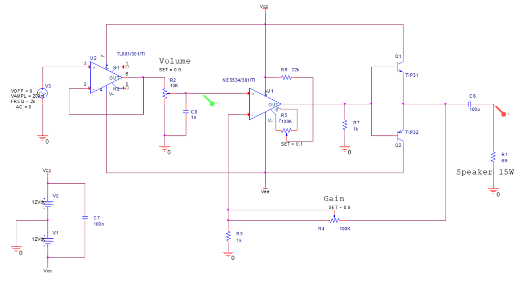
Schematic and simulation
Right now we shall present the final circuit, explain it and show the simulation:

Do you see the similarities between the schematic in Fig4, the block diagram in in Fig1 and the stages in fig2? Let’s explain a few key points in the circuit:
– The guitar input is represented as a 200mV 2kHz signal (V3).
– A buffer amp U2 is used to copy the signal. It’s needed because the signal is very fragile. Manipulating it may distort it.
– After the buffer the signal goes to the potentiometer R2 that can lower the signal, therefore acts as a volume control.
– The capacitor C8 with the potentiometer R2 acts like a low pass filter that filters high frequency noise.
– Op Amp U1 is the first stage voltage amplification, and transistors Q1, Q2 are the second stage power amplification.
– A closed feedback loop through a variant resistor R4 controls the the amplification, therefore acts as the gain control.
– Resistor R7 pulls down the line between stage 1 and 2 to reference the signal to ground. It helps eliminating background noises.
– Large capacitor C6 is used to Couple AC signals and bloke offset voltages.
– The speaker is represented as a 6 ohm load resistor R1.
– Capacitor C7 is in parallel to the supply voltages to suppress conductive emissions (noise on the power line).
Build of materials
| # | Component | Reference | Quantity | Link |
|---|---|---|---|---|
| 1 | 100uF Capacitor | C6 | 1 | Buy |
| 2 | 100nF Capacitor | C7 | 1 | Buy |
| 3 | 1nF Capacitor | C8 | 1 | Buy |
| 4 | TIP31 Transistor | Q1 | 1 | Buy |
| 5 | TIP32 Transistor | Q2 | 1 | Buy |
| 6 | 6Ω 15W Speaker | R1 | 1 | Buy |
| 7 | 10K Variable Resistor | R2 | 1 | Buy |
| 8 | 1K Resistor | R3, R7 | 2 | Buy |
| 9 | 100K Variable Resistor | R4 | 1 | Buy |
| 10 | TS Guitar Connector | V3 | 1 | Buy |
| 11 | NE5534/301/TI Op-Amp | U1 | 1 | Buy |
| 12 | TL081/301/TI Op-Amp | U2 | 1 | Buy |
Simulation
Small Signal Amplification Results (AC):
Notice that in Fig4 there is a green and red probe. They represent the voltage it corresponds to here. That is, the green color is the input voltage, the red color is the output voltage after the amplification stage. Note that the output load resistance is very small compared to the input resistance. This fact indicates that the output current is much larger than the current in the second stage.
Simulation Results:
- Small Signal Amplification: Demonstrates clean signal amplification with minimal distortion.

- Overdrive Mode: Shows the clipped output signal characteristic of high-gain settings, producing a distinct overdrive effect.

Construction and Testing
Follow these steps to build and test the guitar amplifier:
- Assemble the Pre-Amplifier Circuit: Connect the operational amplifier and associated components (resistors, capacitors) according to the schematic to set the desired gain and frequency response.
- Build the Power Amplifier Stage: Solder the TIP31 and TIP32 transistors onto the PCB, ensuring proper alignment and heat management.
- Test the Amplifier Circuit: Use a signal generator and oscilloscope to verify the amplifier’s output under various input conditions and adjust the gain settings as needed.
- Optimize Performance: Fine-tune the circuit parameters, such as gain and filtering, to achieve the best sound quality and performance.

The input signal (blue) and the output signal (yellow) amplified by a factor of 56.

The input signal and the output signal after maximum amplification by a factor of 100, showing clipping and overdrive.

Input signal from an electric guitar (note 'A3' at 220Hz) and the output signal for comparison.

G chord, showing multiple frequencies at once in the FFT.

Conclusions
This guitar amplifier project serves as an excellent example for electronics students and professionals interested in analog circuit design and power amplification. The project demonstrates how to effectively design, simulate, and build a functional amplifier while considering practical constraints such as component selection, power efficiency, and thermal management. By following this example, students can gain hands-on experience and a deeper understanding of electronic amplification principles.
Suggestions for Further Development:
- Implementing a variable band-pass filter to refine tonal control.
- Enhancing the amplifier’s power output by integrating additional amplification stages or utilizing higher-power transistors.
References:
- Microelectronics Textbook by Sedra and Smith, 6th Edition.
- PSPICE and ORCAD Software for Simulation and Circuit Design.
- Component Datasheets for NE5534, TL081, TIP31, and TIP32.